| 项目 | 参数 | |
|---|---|---|
| 基本参数 | 类型 | 网络型 |
| 材质 | 航空铝合金、尼龙 | |
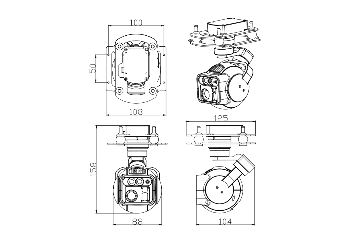
| 尺寸 | 104(长)×88(宽)×158(高)mm | |
| 重量 | Z10云台相机 <480g;减震板 120g | |
| 电源 | 4S-8S | |
| 工作温度 | -20℃ ~ 60℃ | |
| 控制角度(俯仰) | -90° ~ +45° | |
| 控制角度(方向) | 360° 连续旋转 | |
| 角度抖动量 | ±0.01° | |
| 控制信号 | S-Bus、串口TTL、网口 | |
| 存储 | Micro SD卡 | |
| 输出接口 | 网口、串口TTL、S-BUS、电源 | |
| 工作模式 | 方向锁定;航向跟随;一键向下;目标跟踪 | |
| 摄像机 | 焦距 | 4.8 ~ 48mm |
| 水平视场角 | 60.2° ~ 6.6° | |
| 变焦倍数 | 10倍光学变焦;4倍数字变焦;40倍混合变焦 | |
| 对焦速度 | < 1秒 | |
| 视频输出格式 | 1080P,25帧 | |
| 视频存储格式 | 4K,30帧 3840*2160 | |
| 传感器 | 1/2.8 CMOS 846w 像素 | |
| 最低照度 | 彩色:0.01Lux/F1.5;黑白:0.001Lux/F1.5 | |
| 激光照明模块 | 发光波长 | 850 ± 10nm |
| 激光功率 | 0.85W | |
| 光束角度 | 7.5° | |
| 光斑直径 | 14m @ 100m | |
| 照明有效距离 | ≤ 230m | |
| 人眼安全等级 | Class 3B (IEC 60825-1:2014) | |
| 激光指示 | 功率 | 50mw |
| 颜色 | 绿色 | |
| 指示距离 | 1000m(非烈日、阳光直射环境) | |
| 触发开启 | 支持 |

| 输出端口 | 线序定义 |
|---|---|
| 1 | VCC_IN |
| 2 | VCC_IN |
| 3 | VGND |
| 4 | VGND |
| 5 | CAN_L(空) |
| 6 | CAN_H(空) |
| 7 | GND |
| 8 | 5V OUT |
| 9 | SBUS_IN |
| 10 | N/A |
| 11 | GND2 |
| 12 | GND1 |
| 13 | UART2_TX |
| 14 | UART1_TX |
| 15 | UART2_RX |
| 16 | UART1_RX |
| 17 | ETHRX_P |
| 18 | ETHRX_N |
| 19 | ETHTX_P |
| 20 | ETHTX_N |
| 21 | RS422 RX N |
| 22 | RS422 RX P |
| 23 | RS422 TX N |
| 24 | RS422 TX P |
多旋翼无人机 ,无人直升机,无人车,轨道机器人等
如下图,请务必确保断电插拔云台,并检查确认锁扣锁死。

吊舱供电范围为4s-12s锂电,14V-60V。请在规定范围内给云台相机供电。
请确保云台相机活动范围内无遮挡,转动平滑顺畅。请勿给云台相机添加遮光罩及其他非厂家标配或推荐匹配的配件。否则将会造成设备无法正常工作,甚至损毁。

rtsp://192.168.144.68/554